เหล็กตัวซี

เหล็กตัวซีกัลวาไนซ์/แปตัวซีกัลวาไนซ์/เหล็กดำตัวซี

เหล็กตัวซี​

เหล็กตัวซีกัลวาไนซ์ (Galvanized C-Bar)

เหล็กตัวซีกัลวาไนซ์/แปตัวซีกัลวาไนซ์ มีหน้าตัดเป็นรูปตัวซี เป็นเหล็กรูปพรรณ ขึ้นรูปเย็น สำหรับงานโครงสร้างทั่วไป การทำโครงหลังคา แปต่างๆ ผลิตมาจากเหล็กม้วน GI ตัดเป็นแผ่น(สลิท)แล้วนำมาม้วนขึ้นรูปตามขนาดที่ต้องการ สามารถอยู่ทนนานได้กว่าเหล็กไม่เคลือบสังกะสี มักใช้ในงานโครงสร้างกันสนิม ที่ต้องเจอกับความชื้น ใช้งานภายนอกได้เนื่องจากกันสนิมได้ดีพอควร

เหล็กตัวซีกัลวาไนซ์ แปตัวซีกัลวาไนซ์ เหล็กตัวซี
เหล็กตัวซีกัลวาไนซ์ แปตัวซีกัลวาไนซ์ เหล็กตัวซี
เหล็กตัวซีกัลวาไนซ์ แปตัวซีกัลวาไนซ์ เหล็กตัวซีsize
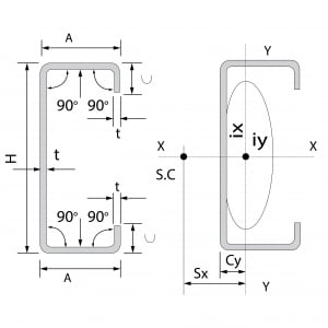
เหล็กตัวซี (Light Lip Channel)

เหล็กตัวซี (สำหรับงานโครงสร้างทั่วไป การทำโครงหลังคา แปต่างๆ) มีหน้าตัดเป็นรูปตัวซี เป็นเหล็กรูปพรรณ ขึ้นรูปเย็น สำหรับงานโครงสร้างทั่วไป การทำโครงหลังคา แปต่างๆ)

เหล็กตัวซีกัลวาไนซ์ แปตัวซีกัลวาไนซ์ เหล็กตัวซี
เหล็กตัวซีกัลวาไนซ์ แปตัวซีกัลวาไนซ์ เหล็กตัวซี
เหล็กตัวซีกัลวาไนซ์ แปตัวซีกัลวาไนซ์ เหล็กตัวซี